C级六角头螺栓
2025年10月13日
2.C级六角头螺栓
(GB/T 5780—2000)
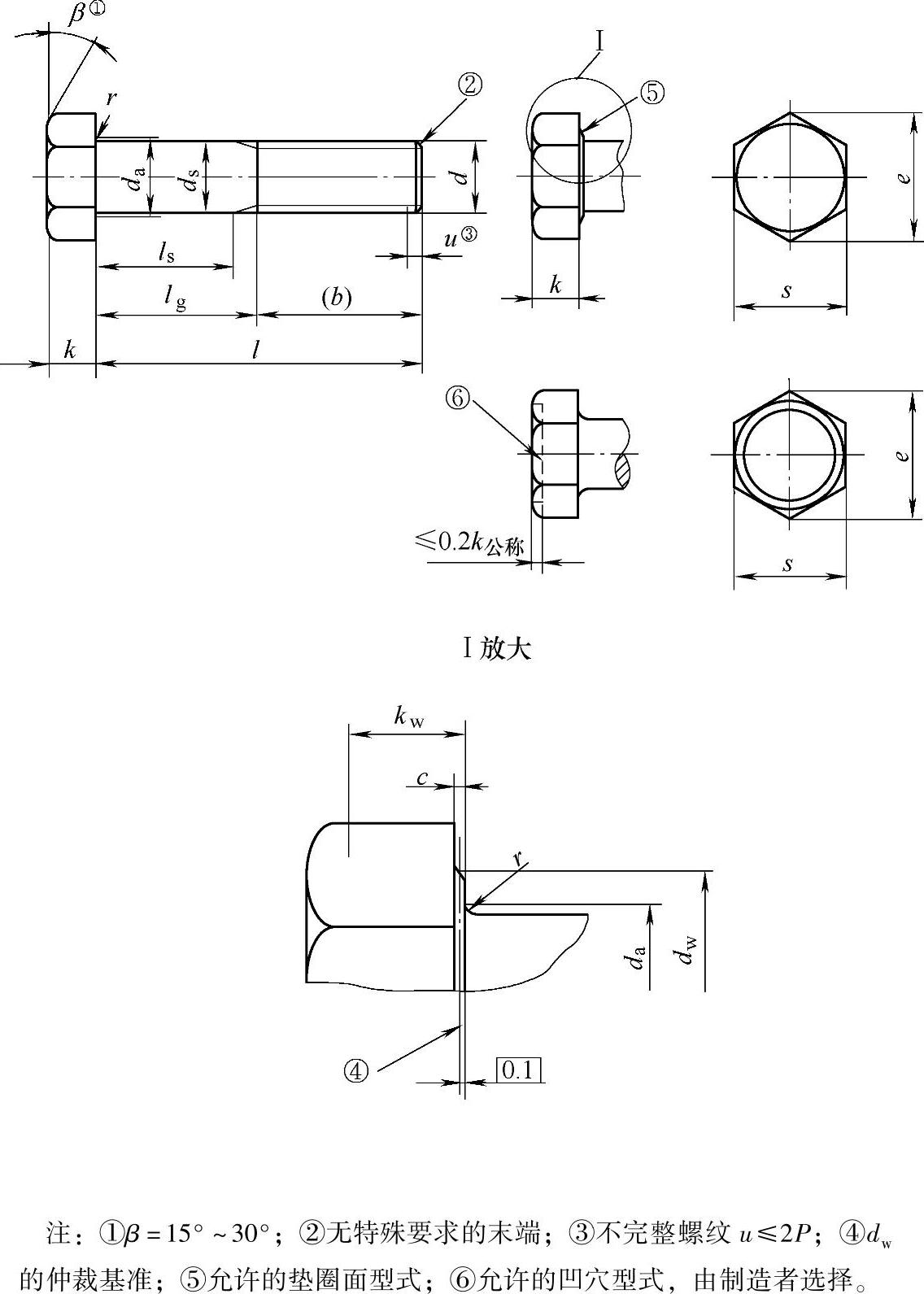
C级六角头螺栓如图2.1-3所示,尺寸见表2.1-4、表2.1-5,技术条件和引用标准见表2.1-6。
标记示例:
螺纹规格d=M12、公称长度l=80mm、性能等级为4.8级、不经表面处理、产品等级为C级的六角头螺栓的标记:螺栓GB/T 5780M12×80

图2.1-3 六角头螺栓(C级)
表2.1-4 尺寸(优选的螺纹规格) (单位:mm)

(续)

(续)

(续)

(续)

(续)

(续)

(续)

注:商品长度规格由ls和lg确定。
① P—螺距。
② l公称≤125mm。
③ 125mm<l公称≤200mm。
④ l公称>200mm。
⑤ kw=0.7kmin。
⑥ lgmax=l公称-b;lsmin=lgmax-5P。
表2.1-5 尺寸(非优选的螺纹规格) (单位:mm)

(续)

(续)

(续)

注:同表2.1-4。
表2.1-6 技术条件和引用标准
