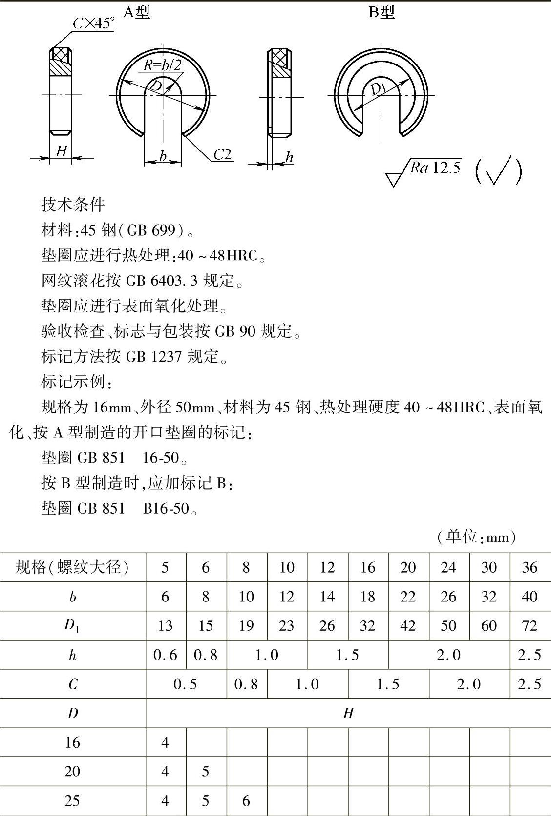
3.开口垫圈

3.开口垫圈

(见表2.7-52)

表2.7-52 开口垫圈(GB 851—1988)

978-7-111-34285-4-Chapter02-867.jpg

(续)

978-7-111-34285-4-Chapter02-868.jpg