导文网
搜索
首页>
图书频道>
工学>
工业技术
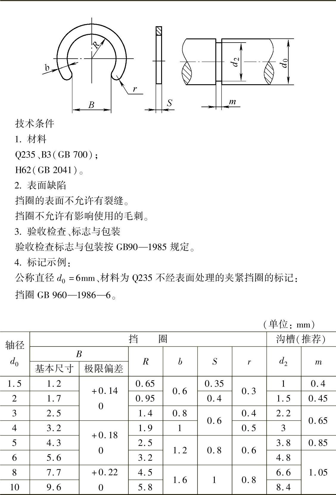
2.夹紧挡圈
2025年10月13日
版权
2.夹紧挡圈
(见表2.8-14)
表2.8-14 夹紧挡圈—A型(GB 960—1986)
上一章
下一章
目录