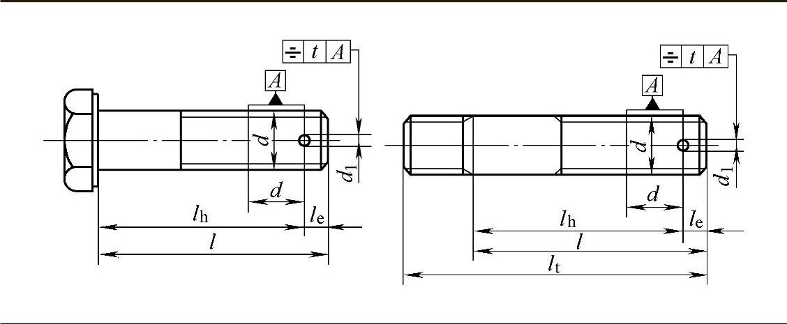
1.2.10  螺杆带孔螺栓和螺柱的开口销孔

1.2.10 螺杆带孔螺栓和螺柱的开口销孔

(见表1.2-24)

表1.2-24 螺杆带孔螺栓和螺柱的开口销孔(GB/T 5278)

978-7-111-34285-4-Chapter01-50.jpg

(续)

978-7-111-34285-4-Chapter01-51.jpg

注:对每一使用场合,lh值由计算求得,而在考虑了lhl的累积公差之后,孔与紧固件末端的距离也不应小于lemin值,一般在生产中lh的公差可采用+IT140