2.滚花平头螺钉

2.滚花平头螺钉

(GB 835—1988)

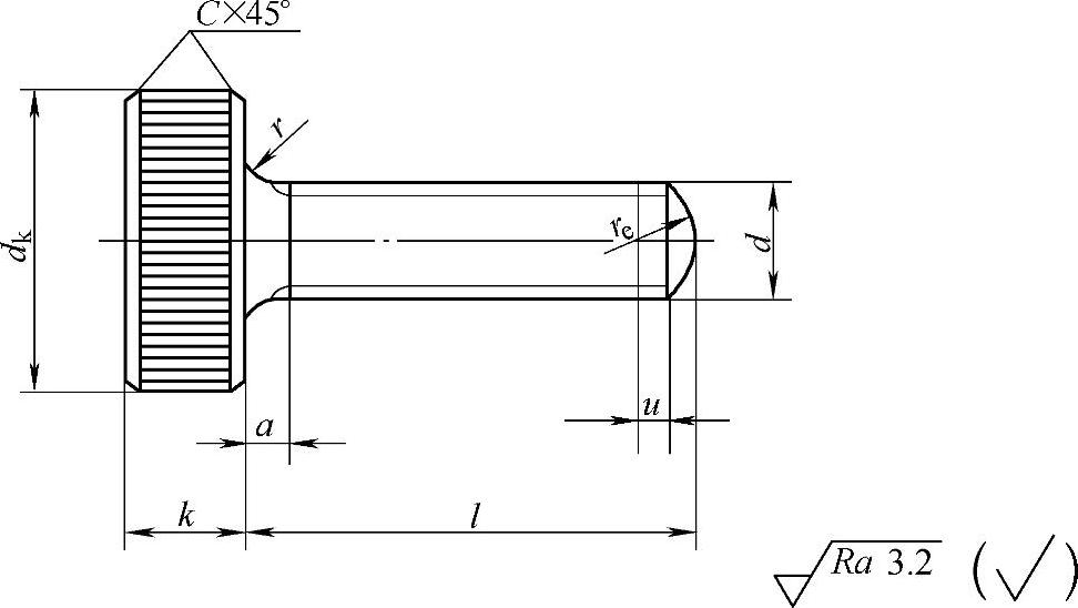
滚花平头螺钉如图2.4-22所示,尺寸见表2.4-49,技术条件和引用标准见表2.4-50。

978-7-111-34285-4-Chapter02-677.jpg

图2.4-22 滚花平头螺钉

标记方法按GB 1237规定。

标记示例:

螺纹规格d=M5、公称长度l=20mm,性能等级为4.8级、不经表面处理的滚花平头螺钉的标记:螺钉GB 835 M5×20。

表2.4-49 尺寸 (单位:mm)

978-7-111-34285-4-Chapter02-678.jpg

注:尽可能不采用括号内的规格。

表2.4-50 技术条件和引用标准

978-7-111-34285-4-Chapter02-679.jpg