机床夹具用槽用螺栓

10.机床夹具用槽用螺栓

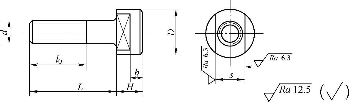
槽用螺栓技术条件:材料:45钢按GB/T 699的规定;热处理:35~40HRC;其他技术条件按JB/T 8044的规定。机床夹具用槽用螺栓如图2.1-47所示,尺寸见表2.1-84。

978-7-111-34285-4-Chapter02-205.jpg

图2.1-47 机床夹具用槽用螺栓

标记示例:

d=M10、L=40mm的槽用螺栓标记为:螺栓M10×40 JB/T 8007.5—1999。

表2.1-84 尺寸 (单位:mm)

978-7-111-34285-4-Chapter02-206.jpg