11.组合式盖形螺母
(GB/T 802.1—2008)
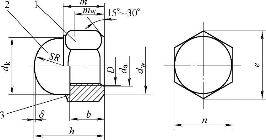
组合式盖形螺母如图2.3-62所示,尺寸见表2.3-116,技术条件和引用标准见表2.3-117。

图2.3-62 组合式盖形螺母
1—螺母体 2—螺母盖 3—铆合部位,形状由制造者任选
标记示例:
螺纹规格D=M12、性能等级为6级、表面氧化处理的组合式盖形螺母的标记:螺母GB/T 802.1 M12。
表2.3-116 尺寸 (单位:mm)

(续)

① 尽可能不采用括号内的规格;按螺纹规格第1至第3系列,依次优先选用。
② P—粗牙螺纹螺距。
表2.3-117 技术条件和引用标准

(续)
