14.全金属弹簧箍六角锁紧螺母
(JB/T 6545—2007)
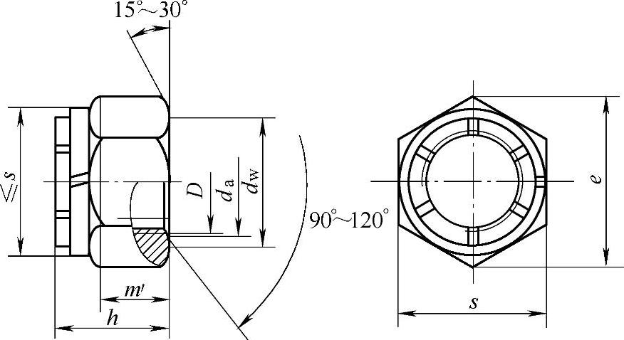
全金属弹簧箍六角锁紧螺母如图2.3-37所示,尺寸见表2.3-74和表2.3-75,技术条件和引用标准见表2.3-76,锁紧螺母的有效力矩见表2.3-77。

图2.3-37 全金属弹簧箍六角锁紧螺母
标记示例:
螺纹规格D=M12、性能等级为8级、不经表面处理、产品等级为A级的锁紧螺母的标记:螺母M12JB/T 6545—2007。
表2.3-74 尺寸(优选的螺纹规格) (单位:mm)

表2.3-75 尺寸(非优选的螺纹规格) (单位:mm)

表2.3-76 技术条件和引用标准

注:有效力矩系指螺母锁紧部分的锁紧力矩。
表2.3-77 锁紧螺母的有效力矩 (单位:N·m)
