9.六角薄螺母
(GB/T 6172.1—2000)
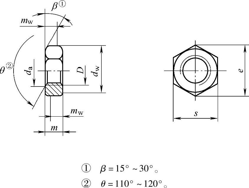
六角薄螺母如图2.3-10所示,尺寸见表2.3-21和表2.3-22,技术条件和引用标准见表2.3-23。

图2.3-10 六角薄螺母
标记示例:
螺纹规格D=M12、性能等级为04级、不经表面处理、产品等级为A级的六角薄螺母的标记:螺母GB/T 6172.1 M12。
表2.3-21 尺寸(优选的螺纹规格) (单位:mm)

① P—螺距。
表2.3-22 尺寸(非优选的螺纹规格) (单位:mm)

① P—螺距。
表2.3-23 技术条件和引用标准

(续)
